|
◆QE/IPCE概念:
太阳能电池量子效率QE (Quantum efficiency)和太阳能电池IPCE(Incident Photon to Charge Carrier Efficiency)表示入射到太阳能电池表面的光子数目与太阳能电池产生的电荷载流子数目比率。太阳能电池量子效率QE (Quantum efficiency)测试是对太阳能电池外部效率的测量,而太阳能电池IPCE(Incident Photon to Charge Carrier Efficiency)测试是对太阳能电池内部效率的测试,也就是说太阳能电池表面反射的光子是不被考虑的。
太阳能电池量子效率QE/ IPCE测试在太阳能电池材料研究和太阳能电池设计中非常关键特殊,因为,对于太阳能电池,在太阳光谱组成分布较强的光谱位置上具有比较好的光谱响应是极其重要的。该太阳能电池量子效率QE/ IPCE测试设备是以光源和光谱学前沿技术为基础的,所以,您可以信任它的专业测试准确性。
准确测试太阳能电池量子效率QE/ IPCE的关键是确定照射到待测太阳能电池上的单色光的强度大小和太阳能电池产生的电流大小。我们所提供的都是重要的太阳能电池量子效率QE/ IPCE测试部件,在这些太阳能电池量子效率QE/ IPCE测试部件的基础上,用户可以很快的完成太阳能电池量子效率QE/ IPCE测试实验。

◆系统简介:
本系统用于测量太阳电池光谱响应度(A/W),其测量原理是通过光源从单色仪出射的单色光,分别照射在被测硅探测器(如太阳电池,染料敏化太阳能电池、光电二极管等)与标准硅探测器上,然后测量它们的短路电流,再比较电流值的方法得出光谱响应度。其中标准硅探测器光谱响应度数据由中国计量院传递而来。
该套装置搭建以后,可实现对单色仪狭缝,波长调整,对锁相放大器(或弱电流计)档位调整,时间常数调整,数据测量,数据曲线实时显示,数据结果处理,详细功能可根据用户特殊需要定制,3年内软件免费升级维护)。
本套系统可用于测量(300~1100)nm波长范围,测量不确定度<5%(k=2)(400-1100)nm
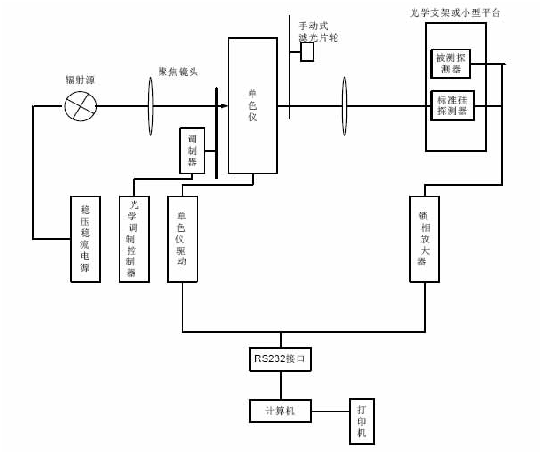
◆系统主要原理图
1.交流测量法(可测量fA级微弱电流信号)
2.直流测量法(可测量pA级微弱电流信号)
◆系统的组成:
1、光源
(1)型号:CP-XQ500W(氙灯)电功率500W,多级聚焦,发射波长范围:200-2500nm,总光功率:10W(2)卤素灯及直流电源,用于(800-1600)nm,波长平坦,功率250W。
2、单色仪
型号:CPISW151,参数:焦距150mm、分辨率1nm、机械扫描范围:0-1200nm、波长精度:1nm(添加近红外光栅(700-2000)nm)。
3、光学系统
由2块凸透镜和滤光片轮组成。
4、标准紫外探测器
硅探测器3只(日本滨松,其中1只用于, 2只用于备用)
型号:S1337。
5、自动控制系统及软件
包括单色仪控制,测量仪表读数,数据比对,处理等,VB程序。
6、测量仪表(交流和直流测量法)
锁相放大器型号:SR830
双相数字式,
1mHz—102kHz频率范围
100dB动态储备(不加前置滤波器)
自动增益,自动相位,自动动态储备
10s—30ks时间常数
6,12,18,24dB/倍频程衰减速率
谐波检测(2F,3F…nF)
GPIB,RS—232接口
调制器型号:SR540
具有电压控制输入,四位数字频率显示,十段频率控制,和两种可选工作模式的参考输出。
4Hz—3.7kHz斩波频率
单光束和双光束调制
低相位抖动
和频和差频参考信号输出
测量仪表(直流测量法)
Keithley 6517A
主要特点及优点:
电阻测量可达1016Ω
电流测量范围1fA-20mA
最小电流量程输入压降<20μV
200TΩ输入阻抗
<3fA偏置电流
高达125rdgs/s
噪声0.75fA p-p
内置±1kV电源
独特的高电阻测量电压反接方法
可选的插件式扫描卡
7、光学平台(可选)
国产,1.2M*1.8M,钢制。由光学暗室、旋转转台、控制器和一维调节座(3只)组成。
基本功能特点与技术指标:
☆CPQE100系列太阳电池QE/IPCE测试仪,可以将IQE和EQE同点同时测量(内外量子效率同时测量),更加专业科学精确。
☆ 大功率宽光谱太阳模拟光源保证足够光谱范围,从200nm-2500nm范围辐射稳定、能量高;光源的供电电源的电流稳定度:0.05%@8.5A
☆ 自动光栅分光系统,波长分辨率0.1nm;波长准确度±0.2nm;波长重复性±0.1nm,配自动滤光片轮,消除多级光谱配合经典C-T结构,有效滤除杂散光。
☆ 测试光斑直径1mm-38mm可调;短路电流密度重复性:<1%,单色光光谱带宽<5nm,(可调),扫描步长默认5nm(0.05nm-10nm可选)。
☆ 数据采集:采用斩波锁相提取信号,剔除噪声,斩波频率调整范围:5-1000Hz,锁相放大器灵敏度2nV
☆ 探针样品台,测试样品尺寸 ≤156x156mm(可定制更大尺寸)
软件界面人性化,即学即会的简单操作
系统软件中,将所有仪器控制的部分都汇总到一个界面,将所有仪器参数设置的部分都汇总到一个界面,最大程度将操作控制简单化,实现一键运行。并且兼容通量法和均匀照度法两种测量方式,并根据不同测量方式采用不同的公式进行数据计算与处理。
仪器参数设置可以统一保存为一个文件并导出,从而实现快速还原功能,随时调用以前保留的参数设置。不同机台之间的参数设置也可以互相调用。
图、表文件自动生成与显示,系统软件保留所有原始数据,或导出为txt、xls等格式的文档,便于主流数据处理软件调用,多组数据对比,进行后续分析。
粗大误差的自动去除,系统误差、线性误差、周期误差、T误差的自动校验。
高级选配功能:
☆ 半导体温控台:控制样品温度范围5-40℃
☆ DC/AC模式可选,斩波脉冲光照模式与稳态连续光照模式兼容,一机多用
☆ 样品真空吸附功能
☆ 可选光路监视,监测光强变化,有效扣除光源不稳定带来的测试误差
☆ 偏置光源
☆ 偏置电源
☆ 自动快门
☆ 级联双单色仪
☆ 自动Mapping
☆ 其他用户需求:创谱仪器凭借专业实力,可满足用户的不同需求,为客户量身定制,提供完善的系统解决方案
测试曲线:






产品简介 :
该系统特点:用调制光代替直流光,以减少杂散光、噪声等对测量精度的影响;用锥腔型热释电探测器代替热电堆探测器作为参考探测器,用锁相测量仪器代替直流测量仪器并增加温度控制,以便提高测量系统的灵敏度和光谱响应度标准的平坦程度,进而提高准确度;以双单色仪代替单色仪,大大减少杂散光;同时增加了光谱响应度的绝对定标。该系统可以灵活地根据客户需求进行变形,组合。可以完成例如太阳能电池IPCE测试,光电器件光谱响应度分析等实验。
华北区







评价