手动旋转台
|
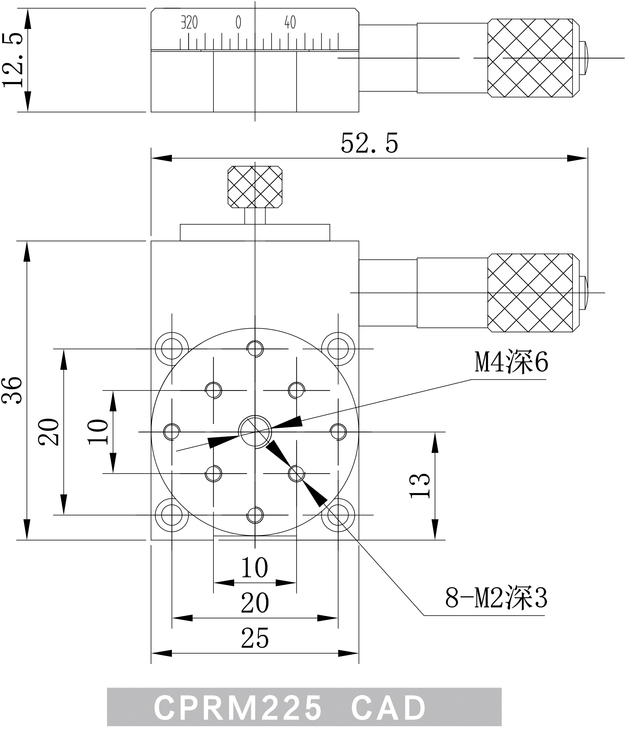
CPRM2系列旋转台CPRM225
主要特点
◆主体材质采用优质铝合金,表面喷砂氧化黑
◆采用蜗轮蜗杆/精密轴承组轴系,精度高,负载大
◆多孔位设计,方便集成
◆圆周 360°刻划,部分型号游标读数
◆旋转台中心无通光孔
参数选型
产品型号 | CPRM225 | CPRM238 | CPRM260 | CPRM282 | CPRM285 | CPRM2100 |
台面直径 | 25mm | 38mm | 60mm | 82mm | 85mm | 100mm |
驱动方式 | 精密轴系 | 蜗轮蜗杆 | ||||
读数方式 | 直读 | 游标读数 | 直读 | |||
分辨率 | ≈20″ | ≈1′26" | 55″ | 10″ | ≈30° | 0.017° |
粗调范围 | 360° | 360° | 360° | 360° | 360° | 360° |
微调范围 | ±5° | ±5° | ±5° | ±10° | ±5° | 360° |
最小刻度 | 5° | 10′ | 5′ | 1° | 5′ | 1° |
负载 | 0.6kg | 1kg | 3kg | 5kg | 4kg | 15kg |
自重 | 0.15kg | 0.1kg | 0.28kg | 0.5kg | 0.5kg | 0.85kg |
CPRM225 CAD
产品简介 :
◆主体材质采用优质铝合金,表面喷砂氧化黑
◆采用蜗轮蜗杆/精密轴承组轴系,精度高,负载大
◆多孔位设计,方便集成
◆圆周 360°刻划,部分型号游标读数
◆旋转台中心无通光孔
华北区







评价